梅華●油壓生爪-尺寸圖

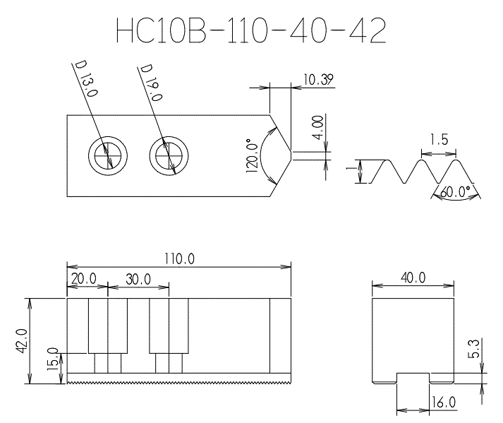
梅華●10"-110-40-42-B120度油壓生爪-尺寸圖